Car with variable speed

 

 

On July 19th, 2008, my friend Dr. Matthias Koch brought a small mathematical problem to my birthday party: Suppose you are driving a car with an initial speed of 100 km/h. You are continuously loosing speed while driving - to be exact, you loose 1 km/h for every kilometer you drove. The question now is, how long does it take to drive 50 km with this style of driving?

The first observation is that dv / ds = -1 since the graph of your speed plotted against the distance is linear, beginning with v = 100 km/h at s = 0 km and ending with v = 0 km/h at s = 100 km. Of course, you will never reach the point s = 100 km, but this is not the problem here since we are interested in the time it takes to reach a distance of 50 km.

Thinking about the graph resulting from plotting the speed versus time it is obvious that v(t) must be of the form exp(-t) since the speed at any distance s is exactly 100 - s.

Since the distance traveled at any time t is just the time integral over v(t) which is of the form 100 * exp(-x), one could write

and solve for t to determine the time necessary to travel a distance of 50 km. This is tedious and there is a better way: Since the speed at a distance of 50 km is exactly 50 km/h the question reduces to
which results in a time of approximately 0.693 hours necessary to travel the distance in question.

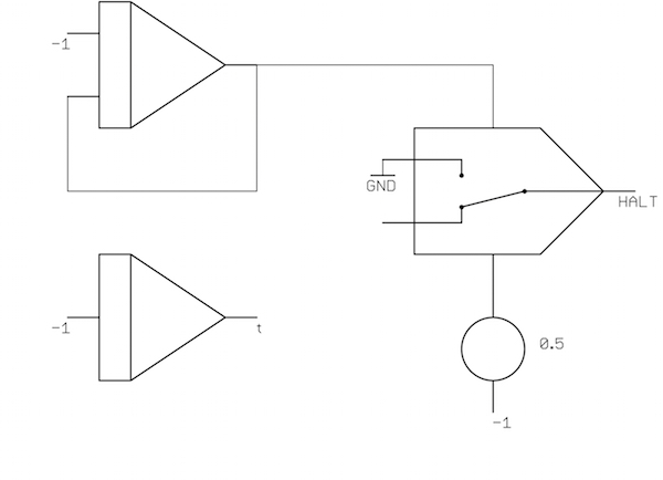
As nice as an this analytical solution is, it would (of course) be nicer to have a model of the problem on an analog computer to confirm the result obtained above.

All we need is a computer setup for this problem. Assuming a scaled model where 100 km are represented by a machine value of 1, we can write v(t) = 1 - s(t), where s(t) is the time integral over v(t).

The resulting computer setup is extremely simple:

The upper integrator yields the time integral over 1 - s(t) which is just the distance the car drove. Its output is fed to a comparator which compares it with 0.5 (representing 50 km). When this distance is reached, the comparator grounds the HALT-input of the computer thus stopping all integrators at once.

The lower integrator just yields the time integral over the constant -1. Its output directly corresponds to the time spent traveling. (By the way, the analog computer used is a Telefunken RA 742.)

The time required to reach 50 km is then computed as

which closely matches the analytical value obtained above! :-) (Using a digital voltmeter an even better resolution of the result would be possible - at least three decimal places would be realistic with this analog computer.)

20-JUl-2008, 21-DEC-2008, 19-FEB-2016, ulmann@analogmuseum.org