Ein Joystickadapter

 

Ein Joystick ist etwas wirklich Nettes - ich wollte schon immer einen Joystick für meine Analogrechner haben, da mich Simulationen, die eine Person einbeziehen, ungemein interessieren (beispielsweise die Simulation eines Flugkörpers, eines Automobils etc.).

Im Grunde genommen ist es ausgesprochen einfach, einen analogen Joystick an einen elektronischen Analogrechner anzuschließen. Je länger ich jedoch darüber nachdachte, desto mehr Probleme kamen mir in den Sinn: Zum einen genügt ein Joystick alleine nicht - man braucht noch einige Tasten, um beispielsweise simulierte Triebwerke zu bedienen etc. Darum entschloss ich mich, zusätzlich vier Tasten, zwei rastende, zwei nichtrastende, vorzusehen.

Um praktisch verwendbar zu sein, benötigt ein solcher Joystick ein eher langes Anschlusskabel, um die Person auch etwas weiter vom eigentlichen Analogrechner anordnen zu können. Nun bringen jedoch lange Kabel bei analogen Signalen eine Vielzahl von Problemen mit sich - vor allem, wenn sie direkt mit Rechenspannungen beaufschlagt werden sollten (Übersprechen, Einstreuungen, Däpfung...). Aus diesem Grunde entschloß ich mich, die eigentlichen Rechenspannung mit Hilfe zweier elektronischer Multiplizierer vom Joystick selbst zu entkoppeln, so dass auf der Anschlussleitung nur sehr niederfrequente Signale übertragen werden mussten.

Das gleiche Problem stellte sich für die vier Taster, die in der Folge Relais ansteuern, die wieder in der Nähe des Analogrechners angebracht sind.

Das Bild zur Linken zeigt den eigentlichen Joystick in seinem Gehäse zusammen mit den vier Tastern. Die roten Schalter arbeiten tastend, während die schwarzen rastend sind. Jeweils links und rechts befindet sich eine LED, die vom Analogrechner bzw. einem Digitalzusatz geteuert werden können, um dem Bediener bestimmte Zustände zu signalisieren.
Die Schaltung des Joysticks sowie der Taster ist auf dem rechts stehenden Bild dargestellt.
The control stick circuitry
The LED and switch drivers
Das links stehende Schaltbild zeigt die Ansteuerung der Schalter sowie der LEDs, die sich im eigentlichen Rackmount-Adapter befinden, wobei nur einer der vier Relaistreiber dargestellt ist.
Rechts ist einer der zwei Joystick-Kanäle dargestellt, die vom Schleifer der Joystick-Potentiometer angesteuert werden. Beide Potentiometer sind mit +/-M (der Maschineneinheit von 10 V) verbunden. Bedingt durch den Aufbau des Joysticks selbst steht nur ein kleiner Teil des gesamten Schleiferweges für die Joystickbewegung zur Verfügung, so dass bei maximaler Auslenkung +/-M nicht erreicht wird, was durch die Eingangsstufe kompensiert wird.
The input stages
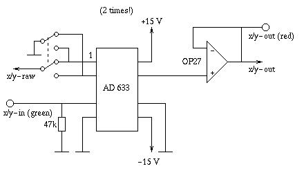
The multipliers
Das Schaltbild links zeigt einen der beiden analogen Multiplizierer, die das Herz des Adapters bilden. Hierbei handelt es sich um preiswerte Multiplizierer des Typs AD 633, die für den vorliegenden Einsatzzweck jedoch hinreichend präzise sind. Ein Eingang wird mit der zu beeinflussenden Rechenspannung beaufschlagt, während der andere von der oben dargestellten Eingangsschaltung angesteuert wird und linear der Joystickbewegung folgt. Mit Hilfe des Umschalters kann die Polarität des Ausgangssignales beeinflusst werden.
Zur Vereinfachung des Nullpunktabgleiches verfügt der Adapter über ein Null-Messgerät, mit dessen Hilfe entweder der X- oder der Y-Kanal beobachtet werden kann. Mit Hilfe eines Schalters kann zwischen einfacher oder mehrfacher Verstärkung umgeschaltet werden, wobei die Diodenschutzschaltung ein Übersteuern des Instrumentes verhindert.
The meter circuit
Das links stehende Bild zeigt den Aufbau des eigentlichen Adapters. Die orangen Bauteile auf der rechten Seite sind die Relais, die durch die Taster des Joysticks angesteuert werden. Die beiden Zehngangpotentiometer auf der linken Seite dienen zum Abgleich der beiden Eingangsstufen.
Die Rückansicht des gesamten Adapters ist rechts zu sehen.
Links ist das Steckfeld des Adapters zu sehen, das in drei Teile unterteilt ist (von links nach rechts): Die Relaisausgänge sowie LED-Eingänge für die linke Seite des Joysticks, die analoge Ein-/Ausgangssektion des Joysticks selbst, sowie ein Feld für Relais und LEDs auf der rechten Joystickseite. Zusammen ergibt dies 40 4 mm-Telefonbuchsen.
Im Bild rechts ist der Adapter in seinem natürlichen Habitat zu sehen - er befindet sich unter dem Vierkanal-X/Y-Oszilloskopmultipexer und über meinem Dornier DO-80 Analogrechner.
Zu guter Letzt zeigt das Bild zur Linken ein Bildschirmphoto einer sehr, sehr einfachen Simulation, die als erster Test implementiert wurde (und darüberhinaus Verwendung des bereits erwähnten Vierkanal-X/Y-Oszilloskopmultiplexers macht). Ein Klick auf das Bild lädt ein kurzes AVI-Filmchen von ca. 5 MB Größe.

 

 

ulmann@analogmuseum.org

18-DEC-2006, 26-JAN-2008, 21-DEC-2008