Springender Ball in einer Kiste

Wie simuliert man einen springenden Ball in einer Kiste?

Vor etwa 40 Jahren publizierte der Analogrechnerhersteller Telefunken ein kleines Paper mit der Beschreibung der Rechenschaltung eines springenden Balles (ein Scan dieses Papers findet sich hier).

Die Grundidee ist ausgesprochen einfach - insgesamt werden drei mehr oder weniger voneinander getrennte Teilrechenschaltungen benötigt, von denen eine die Y-Position des Balles und eine seine X-Position berechnet, während die dritte ein hochfrequentes sin-/cos-Signalpaar zur Darstellung des Balles an sich generiert.

Das obenstehende Bild zeigt eine Langzeitbelichtung, die Tore S. Bekkedal während des VCFE 2007 aufnahm, wo ich die Simulation vorführte.

Berechnung der Y-Position:

Die untenstehende Rechenschaltung zeigt die Berechnung der Y-Position des Balles. Potentiometer 1 bestimmt die Stärke der Gravitation, die auf den Ball wirkt. Die Potentiometer 5 und 10 werden für die Einstellung der Initialwerte der Geschwindigkeit (5) sowie der Y-Positition (10) benötigt. Potentiometer 2 legt den Dämpfungsfaktor fest - je höher dieser ist, desto schneller verliert der Ball seine kinetische Energie.

Die beiden Z-Dioden sind Teil eines einfachen Tricks: Die originale Telefunken-Rechenschaltung verwendete zwei offene Verstärker, um eine tote Zone zu implementieren, mit deren Hilfe die obere und untere Kastenbegrenzung simuliert werden, an denen der Ball reflektiert wird. Da ich leider keine freien Dioden zur Verfügung hatte, entschied ich mich, einen Kasten mit der Höhr -1...+1 zu implementieren, was mit Hilfe dieser beiden Dioden geschieht (anstelle wirklicher 10 V-Z-Dioden wurden jeweils zwei 4.7 V-Z-Dioden in Reihe geschaltet).

Berechnung der X-Position:

Die Berechnung der X-Position ist ein wenig trickreicher und benötigt zwei Komparatoren (die ein wunderschönes Klickgeräusch erzeugen, wenn der Ball die linke beziehungsweise rechte Begrenzung erreicht). Integrator 14 erhält ein Eingangssignal, dessen Absolutbetrag zunächst bei 1 liegt und das kontinuierlich gegen 0 läuft, so dass der Ball an Geschwindigkeit verliert. Die Komparatoren werden nun dafür eingesetzt, das Vorzeichen dieses Signals jedesmal umzukehren, wenn der Ball an eine der beiden senkrechten Kastenwände stößt, was effektiv ein Abprallen des Balles zur Folge hat.

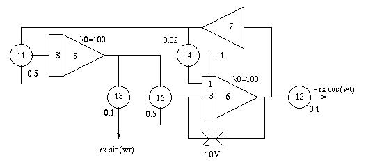
Erzeugung des Balles:

Die untenstehende Rechenschaltung zeigt den sin-/cos-Generator, mit dessen Hilfe der Ball als kleiner Kreis dargestellt werden kann. Diese Schaltung löst die Differentialgleichung y''=-y, so dass ein sin-/cos-Signalpaar erhalten wird. Zu bemerken ist, dass die Integratoren an ihren Summenpunkten mit dem jeweiligen Eingangswert beaufschlagt werden, um durch die beiden freien Potentiometer 11 und 16 eine vergleichsweise hohe Ausgangsfrequenz zu erzielen, so dass eine flimmerfreie Darstellung des Balles möglich wird. Darüberhinaus wurde die Integrationszeitkonstante k0 auf den kleinstmöglichen Wert des verwendeten Analogrechners (eine Telefunken RA742) gesetzt.

Mit Hilfe der Potentiometer 11 und 17 kann die Frequenz des erzeugten sin-/cos-Signalpaares beeinflusst werden. Die Potentiometer 12 und 13 bestimmen den Durchmesser des Balles (womit, nebenbei bemerkt, auch ellipsenförmige Bälle möglich sind). Potentiometer 4 stabilisiert die Rechenschaltung.

Alles zusammen:

Die Rechenschaltung links zeigt, wie die einzelnen Signale zusammengemischt werden, um entsprechende X-/Y-Signale für ein angeschlossenes Oszilloskop zu generieren.

Zwei Verstärker mit Verstärkung 1 werden hierbei verwendet, um das sin-/cos-Signalpaar mit den X-/Y-Koordinatenwerten des Balles zu überlagern.

Das Bild zur Rechten zeigt den Gesamtaufbau der Rechenschaltung zur Simulation des in einer Kiste springenden Balles. Die beiden dünnen, schwarzen Elemente sind die Z-Dioden des sin-/cos-Generators.

Da der Integrator 15 irgendwann an das Ende seines Rechenbereiches stoßen wird, ist es sinnvoll, den Analogrechner im repetierenden Modus zu betreiben, wobei die Rechenzeit entsprechend dergestalt eingestellt wird, dass der Ball gerade zum Stehen kommt. Dies hat darüberhinaus den Vorteil, dass das Oszilloskop automatisch während der Rechenpausen dunkelgetastet werden kann (beispielsweise ein Telefunken OMS811).

Das untenstehende Bild zeigt das Steckfeld mit dem fertigen Programm. Es mag sich lohnen, dies mit den oben beschriebenen Teilrechenschaltungen zu vergleichen. Das Bild zur Rechten führt zu einem AVI-File des springenden Balles (ca. 6 MB).

 

 

ulmann@analogmuseum.org

24-FEB-2006, 26-JAN-2008, 21-DEC-2008